skip to content
Fredesk Studio logo Fredesk Studio

Distributed Tank System - In Action

/ 1 min read

Base Controller

Base Controller

The brain of the operation. ESP32 with custom PCBs, designed to handle the outdoor environment.

Installation

Installation

The actual installation in Peru.

Fluid System

Water tanks and sensors in place.

Building the Sensors

REMST2 Working

One of the sensor nodes in action. Each node includes flow sensors for monitoring water usage and pressure sensors for tank level monitoring.

Flow Sensor Pressure Sensor

PCB layout and assembly process. Custom design for reliability. Made some mistakes along the way, but learned a lot.

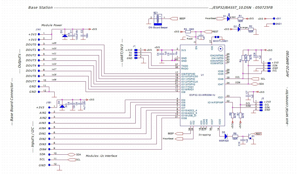
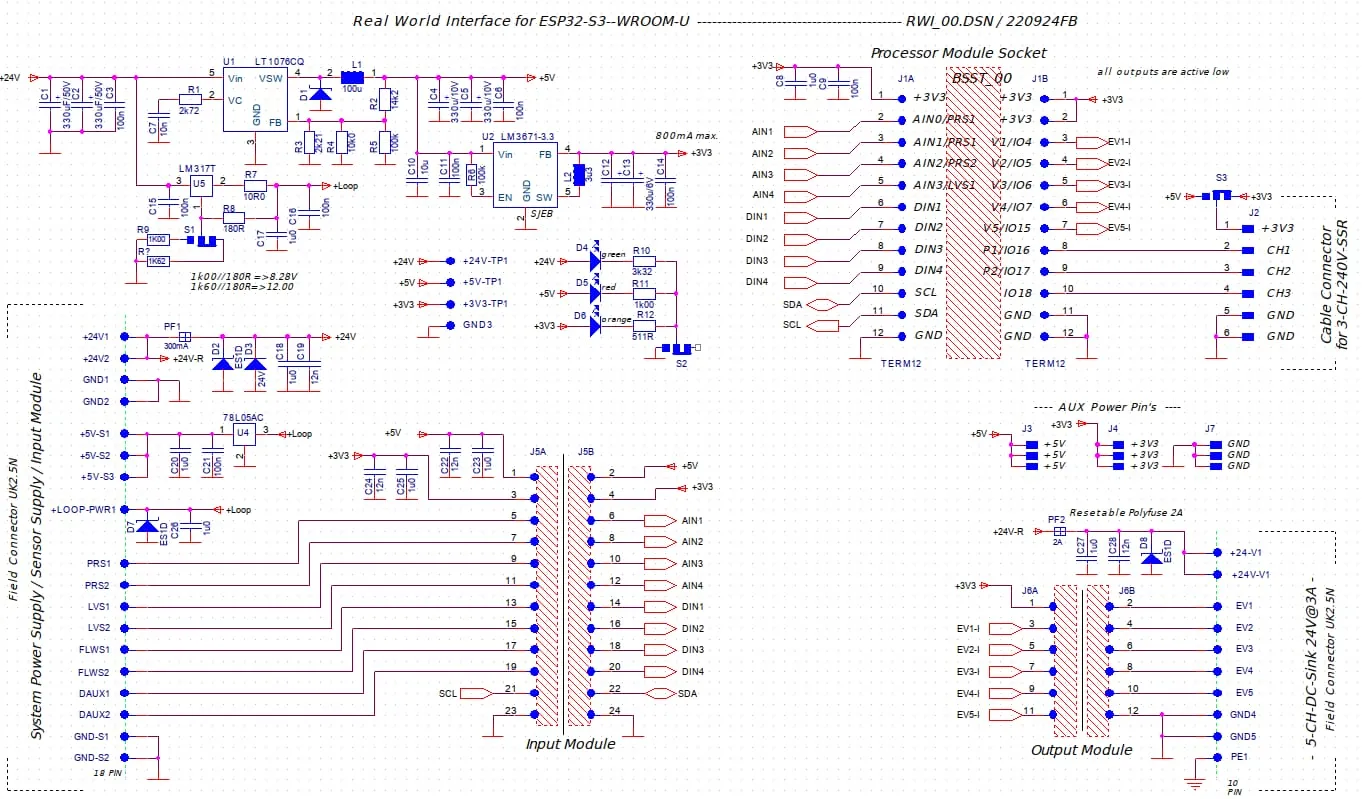
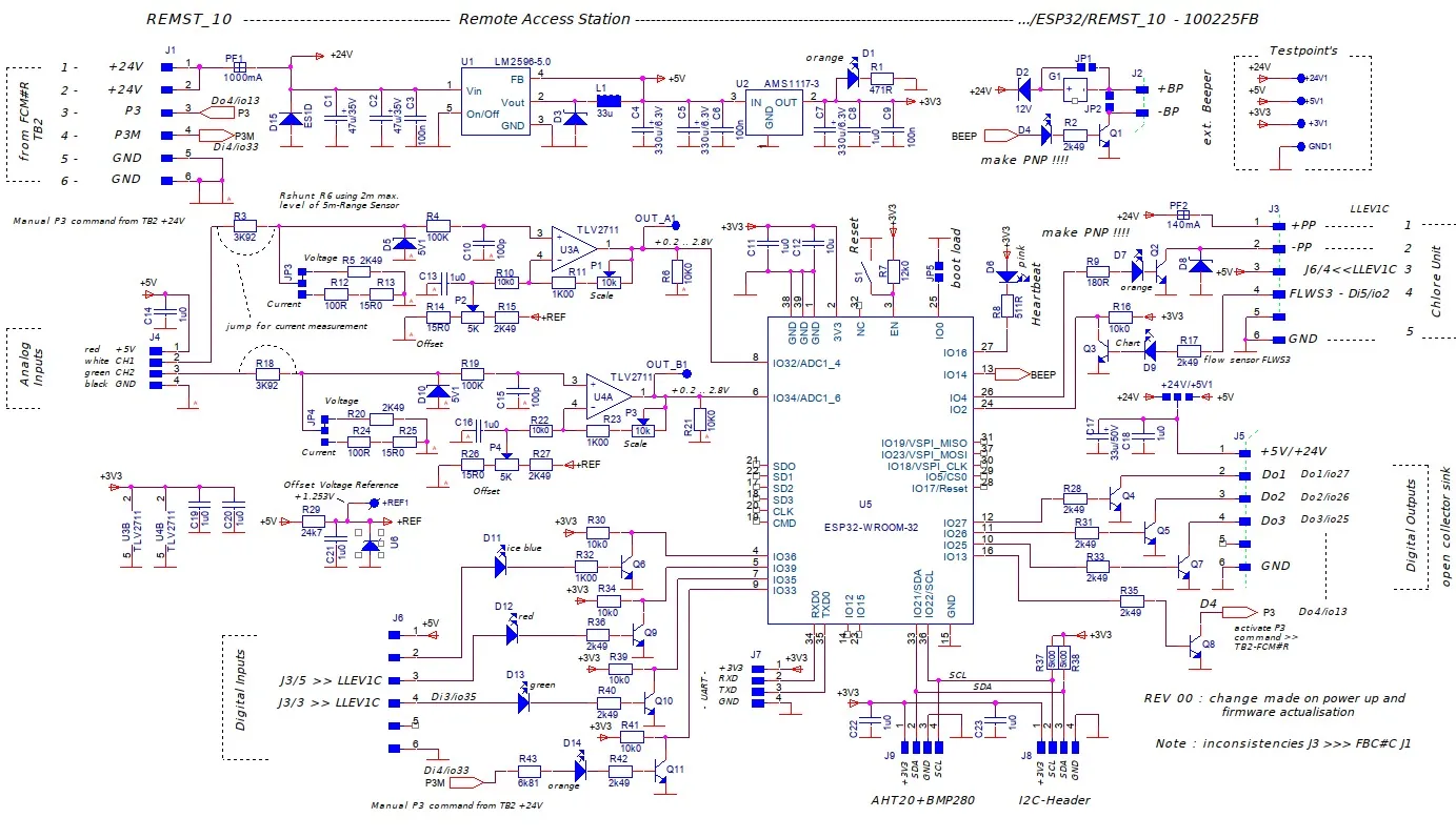
Schematics

Base Schematic RWI Schematic REMST2 Schematic

Custom PCBs designed for reliability. Made some mistakes along the way, but learned a lot.

The system works, but there’s always room for improvement.